DIN 580
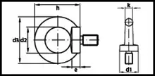
DIN 580 er en DIN-Standard for en Øje-bolt
| Gevind | M6 | M8 | M10 | M12 | M14 | M16 | |
|---|---|---|---|---|---|---|---|
| Stub Diameter d1: | 17 | 20 | 25 | 30 | 35 | 35 | |
| Hul Diameter d2: | 16 | 20 | 25 | 30 | 35 | 35 | |
| Cirkel Diameter d3: | 28 | 36 | 45 | 54 | 63 | 63 | |
| Cirkel Højde h: | 31 | 36 | 45 | 53 | 62 | 62 | |
| Løftepunkt Tykkelse k: | 8 | 8 | 10 | 12 | 14 | 14 | |
| Kan løfte (Ton) | 0,08 | 0,14 | 0,23 | 0,34 | 0,49 | 0,7 |
| Gevind | M18 | M20 | M22 | M24 | M27 | M30 | |
|---|---|---|---|---|---|---|---|
| Stub Diameter d1: | 40 | 40 | 45 | 50 | 50 | 65 | |
| Hul Diameter d2: | 40 | 40 | 45 | 50 | 50 | 60 | |
| Cirkel Diameter d3: | 72 | 72 | 81 | 90 | 90 | 108 | |
| Cirkel Højde h: | 71 | 71 | 80,5 | 90 | 90 | 109 | |
| Løftepunkt Tykkelse k: | 16 | 16 | 18 | 20 | 20 | 24 | |
| Kan løfte (Ton) | 0,95 | 1,2 | 1,5 | 1,8 | 2,5 | 3,6 |
| Gevind | M33 | M36 | M39 | M42 | M45 | M48 | |
|---|---|---|---|---|---|---|---|
| Stub Diameter d1: | 65 | 75 | 75 | 85 | 85 | 100 | |
| Hul Diameter d2: | 60 | 70 | 70 | 80 | 80 | 90 | |
| Cirkel Diameter d3: | 108 | 126 | 126 | 144 | 144 | 166 | |
| Cirkel Højde h: | 109 | 128 | 147 | 147 | 168 | 168 | |
| Løftepunkt Tykkelse k: | 24 | 28 | 32 | 32 | 38 | 38 | |
| Kan løfte (Ton) | 4,3 | 5,1 | 6,1 | 7 | 8 | 8,6 |
| Gevind | M52 | M56 | M64 | |
|---|---|---|---|---|
| Stub Diameter d1: | 100 | 110 | 120 | |
| Hul Diameter d2: | 90 | 100 | 110 | |
| Cirkel Diameter d3: | 166 | 184 | 206 | |
| Cirkel Højde h: | 187 | 187 | 208 | |
| Løftepunkt Tykkelse k: | 42 | 42 | 48 | |
| Kan løfte (Ton) | 9,9 | 11,5 | 16 |

DIN 580
Kilde
- http://bolte.dk/oejebolte-din-580 Arkiveret 28. maj 2015 hos Wayback Machine
This article is issued from Wikipedia. The text is licensed under Creative Commons - Attribution - Sharealike. Additional terms may apply for the media files.