DIN 931
DIN 931 er en DIN standard for en Stålbolt.

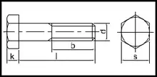
Stålbolt DIN 931
En Stålbolt DIN 931 er en af de mest brugte bolte inden for befæstelse området.
| Gevind | M1,6 | M2 | M2,5 | M3 | M4 | M5 | M6 | |
|---|---|---|---|---|---|---|---|---|
| Gevindstigning | 0,35 | 0,4 | 0,45 | 0,5 | 0,7 | 0,8 | 1 | |
| Nøglevidde S: | 3,2 | 4 | 5 | 5,5 | 7 | 8 | 10 | |
| Hovedhøjde K: | 1,1 | 1,4 | 1,7 | 2 | 2,8 | 3,5 | 4 | |
| l≤125 mm | 9 | 10 | 11 | 12 | 14 | 16 | 18 | |
| l>125 mm ≤200 mm | 15 | 16 | 17 | 18 | 20 | 22 | 24 | |
| l>200 mm | 28 | 29 | 30 | 31 | 33 | 35 | 37 |
| Gevind | M8 | M10 | M12 | M14 | M16 | M20 | M22 | |
|---|---|---|---|---|---|---|---|---|
| Gevindstigning | 1,25 | 1,5 | 1,75 | 2 | 2 | 2,5 | 2,5 | |
| Nøglevidde S: | 13 | 17 | 19 | 22 | 24 | 30 | 32 | |
| Hovedhøjde K: | 5,5 | 6,4 | 7,5 | 8,8 | 10 | 13 | 14 | |
| l≤125 mm | 22 | 26 | 30 | 34 | 38 | 46 | 50 | |
| l>125 mm ≤200 mm | 28 | 32 | 36 | 40 | 44 | 52 | 56 | |
| l>200 mm | 41 | 45 | 49 | 53 | 57 | 65 | 69 |
| Gevind | M24 | M30 | M36 | M42 | M48 | M56 | M64 | |
|---|---|---|---|---|---|---|---|---|
| Gevindstigning | 3 | 3,5 | 4 | 4,5 | 5 | 5,5 | 6 | |
| Nøglevidde S: | 36 | 46 | 55 | 65 | 75 | 85 | 95 | |
| Hovedhøjde K: | 15 | 19 | 23 | 26 | 30 | 35 | 40 | |
| l≤125 mm | 54 | 66 | - | - | - | - | - | |
| l>125 mm ≤200 mm | 54 | 72 | 84 | 96 | 108 | - | - | |
| l>200 mm | 73 | 85 | 97 | 109 | 121 | 137 | 153 |
| Gevind | 1/4" | 5/16" | 3/8" | 7/16" | 1/2" | 9/16" | 5/8" | |
|---|---|---|---|---|---|---|---|---|
| Gevind Pr " | 20 | 18 | 16 | 14 | 13 | 12 | 11 | |
| Nøglevidde S: | 11,1 | 12,7 | 14,3 | 15,9 | 19 | 20,6 | 23,8 | |
| Hovedhøjde K: | 4 | 5,2 | 6 | 7,1 | 7,9 | 9,1 | 9,9 | |
| l≤ 152 mm | 19 | 22 | 25 | 28 | 32 | 35 | 38 | |
| l>165 mm | - | - | - | 38 | 41 | 44 |
| Gevind | 3/4" | 7/8" | 1" | 1.1/8" | 1.1/4" | 1.1/2" | |
|---|---|---|---|---|---|---|---|
| Gevind Pr " | 10 | 9 | 8 | 7 | 7 | 6 | |
| Nøglevidde S: | 28,6 | 33,3 | 38,1 | 42,9 | 47,6 | 57,2 | |
| Hovedhøjde K: | 11,9 | 13,9 | 15,5 | 17,5 | 19,8 | 23,8 | |
| l≤ 152 mm | 44 | 51 | 57 | 64 | 70 | 83 | |
| l>165 mm | 51 | 57 | 64 | 70 | 76 | - |
This article is issued from Wikipedia. The text is licensed under Creative Commons - Attribution - Sharealike. Additional terms may apply for the media files.