Kommutationscelle
En kommutationscelle er en grundlæggende elektrisk energi transporterende struktur i switch-mode-strømforsyninger indenfor effektelektronik.
Denne artikel omhandler en kommutationscelle. Opslagsordet har også en anden betydning, se Celle.
Formålet med en kommutationscelle er at "klippe"/"choppe" DC-energien fra indgangen (input) op i mindre energipakker korttidslagret i spoler og/eller kondensatorer og afgive energipakken ved udgangen (output). I teorien er kontakterne tabsfrie og processen er i princippet ideel, men på trods af tab i praksis, er processen effektiv med praktiske virkningsgrader på over 80-90%.
Et problem har metoden – og det er at energiopklipningen genererer højfrekvent støj (EMI). Derfor sendes den valgte input igennem et effektivt støjfilter, – output sendes af samme grund også gennem et støjfilter.
En kommutationscelles typiske virkemåde er som følger. Via et styrekredsløb, som måler en eller flere output parametre (- og gerne også input og interne kommutationscelle parametre), styres kommutationscellens aktive og passive kontakts on- og off- tider (arbejdscyklen). Via styrekredsløbet styres f.eks. efter output-spænding. Styrekredsløbet kan f.eks. også sikre at kommutationscellen er robust. Kommutationsceller kan udvise kaos med en ustabil styring – f.eks. grundet støj fra input og/eller output.[1]
Dette grundlæggende princip, er kernen i de fleste moderne spændingsforsyninger, fra små smps i transportabelt udstyr til store AC↔DC vekselrettere og PFC-ensrettere på elnettet.
Kommutationsceller kan enten arbejde i kontinuert (CCM) eller diskontinuert strømdrift (DCM). [2] Med den rette styring, kan egnede kommutationsceller under drift, skifte mellem CCM og DCM.
Her beskrives flere kommutationsceller.
Cuk-kommutationsceller – Uisoleret Ćuk-konverter og isoleret Ćuk-konverter


En uisoleret Ćuk-konverter består af to spoler, to kondensatorer, en kontakt (normalt en transistor) og en passiv kontakt (dioden). Ćuk-konverterens diagram kan ses i figur 1. En uisoleret Ćuk-konverter er en inverterende konverter, så output-spændingen er negativ i forhold til input-spændingen.
Kondensatoren C anvendes til at overføre energi og forbindes vekslende til input og til output af konverteren via kommutation af transistoren og dioden.
De to spoler L1 og L2 anvendes til at konvertere respektiv input-spændingskilden (Vi) – og output-spændingskilden (Co) til strømkilder. Faktisk, over en kort tidsskala, kan en spole opfattes som en strømkilde, der bibeholder en konstant strøm. Denne omsætning er nødvendig – hvis kondensatoren blev forbundet direkte til spændingskilden, ville strømmen kun blive begrænset af (parasitiske) modstande, hvilket ville resultere i et højt energitab. Ladning af en kondensator med en strømkilde (spolen) forhindrer resistiv strømbegrænsning og dets associerede energitab.
Faktisk kan de to spoler teoretisk vikles på samme kerne (Coupled Inductor Cuk Converter) og dermed udgøre en transformator med fordelen at output kan designes ripple-løs (ved CCM), men denne Ćuk-konverter kan ikke gøres stabil. En isoleret Ćuk-konverter af Integrated Magnetics Cuk Converter-varianten kan designes til at være ripple-løs (ved CCM) i både input og output, men denne kan kun under specielle designs gøres stabil. Se diagrammer i kilde. [3]
"Buck-boost-afledt"-kommutationscelle

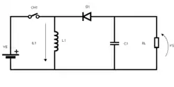
Den "Buck-boost-afledte"-kommutationscelle er opbygget af en spole, en aktiv kontakt – og en passiv kontakt – typisk en diode (eller en synkronensretter – f.eks. en transistor).
"Buck-boost-afledt"-kommutationscelles opbygning
Den "Buck-boost-afledte"-kommutationscelle som vist på figur 1, har tre ydre tilgange; spoleenden, den aktive kontakt og den passive kontakt.
- En af tilgangene anvendes som energiindgang (der energien skal hentes fra)
- En af tilgangene anvendes som energiudgang (der energien skal afleveres til)
- Den sidste tilgang anvendes som fællesforbindelse til indgangens og udgangens anden forbindelse.
Den kontakt tættest på indgangen i den "Buck-boost-afledte"-kommutationscelle, skal være aktiv – og den anden kontakt er passiv.
Når spoleenden er fælles, kan spændingsfortegnets polaritet mellem de to kontakt yderender, kun være forskellig (positiv og negativ). Grunden er følgende. Antag positiv spændingsindgangskilde ved aktiv kontakt:
- Aktiv kontakt sluttes: Der lagres energi i spolen
- Aktiv kontakt brydes: Spolens strøm og retning fortsætter pga. selvinduktionen. Spoleenden ved kontakterne bliver ideelt set øjeblikkelig negativ spændingsmæssigt. Den passive kontakt skal slutte og det bestemmer den passive kontakts lederetning (f.eks. dioden eller synkronensretteren).
- Når al spolens energi er afleveret – eller den aktive kontakt sluttes, vil (og skal) den passive kontakt øjeblikkelig bryde.
"Buck-boost-afledte"-kommutationscellen kan sende energi begge veje, men så skifter kontakterne aktiv/passiv-rolle, afhængig af den ønskede energiretning.
Driftsprincip
Det grundlæggende princip, som får den "Buck-boost-afledte"-kommutationscelle til at virke, er spolens selvinduktion – og herudover den rette timing og miljø.
Når spolen lagrer energi opfører den sig som en belastning og absorberer energi, som lagres i magnetfeltet – og når den afgiver energi, opfører den sig som en energikilde. Spændingen den opretholder under afladningsfasen er præcis så stor, at spolens strøm (relateret til magnetfeltet) opretholdes.
"Buck-boost-afledte"-Kommutationsceller i konvertere

Af de tre er buck-boost-konverterkoblingen (den 3. fra oven) den bedste at starte med, da man her direkte kan se (tidligere udledt), at der mellem de to kontakt yderender og fælles spole yderenden, kan kun være forskellig strømretning mellem indgang og udgang og dermed spænding (positiv og negativ). sgn(Uinput) =!= sgn(Uoutput), medmindre Uinput=0 og Uoutput=0.
I den øverste kobling (Buck-konverteren) vil energien blive lagret i spolen – i serie med output, hvilket betyder at Uoutput kun kan være mindre end eller lig Uinput. Når den aktive kontakt brydes vil spoleenden ved udgangen være positiv i forhold til Uoutput. Derfor: abs(Uinput) >= abs(Uoutput) >= nul volt og sgn(Uinput) = sgn(Uoutput).
I den 2. kobling (Boost-konverteren) vil spændingen på output blive lig input (antag positiv). Når den aktive kontakt sluttes, vil spolen få input-spændingen over sig. Når den aktive kontakt brydes, vil spoleenden ved udgangen være positiv i forhold til den anden spoleende – og i serie med Uinput. Derfor: abs(Uoutput) >= abs(Uinput) og sgn(Uinput) = sgn(Uoutput).
Styring af den "Buck-boost-afledte"-kommutationscelle
Vi tager udgangspunkt i buck-boost-konverterkoblingen (den 3. fra oven på figur 2). Antagelser i dette afsnit:
- komponenterne har ideel opførsel
- Styringen skal styre output-spændingen
- Input-spændingen er konstant og har ingen indre modstand
- Output-spændingen er (næsten) konstant, hvilket betyder at udgangskondensatorens kapacitans nødvendigvis er noget nær uendelig, når belastning R endelig og R er større end nul.
Spørgsmål:
- Hvordan styres middelenergimængden til output?
- Hvor lang tid skal den aktive kontakt være sluttet? (besvares i den specifikke konverterartikel)
- Hvor lang tid skal den passive kontakt have lov at være sluttet? (besvares i den specifikke konverterartikel)
- Med konstant spænding over en ideel spole, vil strømmen gennem den stige lineart med tiden.
- Vi ved at energien i Joule lagret i en ideel spole, stiger med kvadratet på spolestrømmen: E(J)=1/2*L*I^2. F.eks. er den lagrede energi firdoblet, når spolestrømmen dobles.
Ud af ovenstående to fakta kan det udledes, at (en måde) man kan styre middelenergimængden til output, er ved at ændre pulsbredden af den aktive kontakt. Det skal bemærkes, at man selv kan bestemme om strømmen gennem spolen, skal have lov til at falde til nul.
En anden måde er f.eks. at vælge den aktive kontakts pulsbredde til at være maksimal – og aktivere en energioverførsel (arbejdscyklus), når output er for lav. Her er det så tiden mellem arbejdscykler som varieres.
Ovenstående to måder kan også kombineres.
Kilder/referencer
- smpstech.com: Switching-Mode Power Supply Design Tutorial. Simple Switching Topologies. A tutorial on switching-mode power supply design by Jerrold Foutz: Bang-Bang, Ripple, or Hysteresis Control Arkiveret 29. december 2011 hos Wayback Machine Citat: "...hysteretic converters are more prone to chaos than other converters. But the major reason is their tendency to synchronize or entrain with a switching load, a periodic input voltage, or random noise -- often with unwanted or disastrous results, such as ripple on a five volt logic converter increasing from a tens of millivolts to several volts. All converters can do this, but bang-bang controllers are far more susceptible to this problem than PWM controllers..."
- "smpstech.com: Continuous (CCM) and Discontinuous Conduction Mode (DCM)". Arkiveret fra originalen 15. december 2011. Hentet 8. januar 2012.
- boostbuck.com: Easy Design of the Boostbuck Family of Converters: The Four Boostbuck Topologies Citat: "...Coupled Inductor Cuk Converter...The procedure yields a control function with a single RHP zero, which cannot be damped out...
[]
...Integrated Magnetics Cuk Converter...This fourth topology, which features zero current ripple at both input and output...It is not suitable for use in a power supply, since the control function contains two RHP zeros that cannot be damped out..."