DIN 472
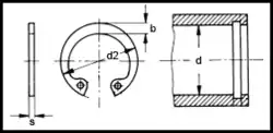
DIN 472 er en DIN-Standard for en låsering.
| Gevind | | M8 | M9 | M10 | M11 | M12 | M13 | M14 | M15 |
| Tykkelse s: | | 0,8 | 0,8 | 1 | 1 | 1 | 1 | 1 | 1 |
| Diameter d2: | | 8,7 | 9,8 | 10,8 | 11,8 | 13 | 14,1 | 15,1 | 16,2 |
| Bredde b: | | 1,1 | 1,3 | 1,4 | 1,5 | 1,7 | 1,8 | 1,9 | 2 |
| Gevind | | M16 | M17 | M18 | M19 | M20 | M21 | M22 | M23 |
| Tykkelse s: | | 1 | 1 | 1 | 1 | 1 | 1 | 1 | 1,2 |
| Diameter d2: | | 17,3 | 18,3 | 19,5 | 20,5 | 21,5 | 22,5 | 23,5 | 24,6 |
| Bredde b: | | 2 | 2,1 | 2,2 | 2,2 | 2,3 | 2,4 | 2,5 | - |
| Gevind | | M24 | M25 | M26 | M27 | M28 | M29 | M30 | M31 |
| Tykkelse s: | | 1,2 | 1,2 | 1,2 | 1,2 | 1,2 | 1,2 | 1,2 | 1,2 |
| Diameter d2: | | 25,9 | 26,9 | 27,9 | 29,1 | 30,1 | 31,1 | 32,1 | 33,4 |
| Bredde b: | | 2,6 | 2,7 | 2,8 | - | 2,9 | - | 3 | 3,2 |
| Gevind | | M32 | M33 | M34 | M35 | M36 | M37 | M38 | M39 |
| Tykkelse s: | | 1,2 | 1,2 | 1,5 | 1,5 | 1,5 | 1,5 | 1,5 | 1,5 |
| Diameter d2: | | 34,4 | 35,5 | 36,5 | 37,8 | 38,8 | 39,8 | 40,8 | 39 |
| Bredde b: | | 3,2 | - | 3,3 | 3,4 | 3,5 | 3,6 | 3,7 | - |
| Gevind | | M40 | M41 | M42 | M43 | M44 | M45 | M47 | M48 |
| Tykkelse s: | | 1,75 | 1,75 | 1,75 | 1,75 | 1,75 | 1,75 | 1,75 | 1,75 |
| Diameter d2: | | 43,5 | 44,5 | 45,5 | 46,5 | 47,5 | 48,5 | 50,5 | 51,5 |
| Bredde b: | | 3,9 | - | 4,1 | - | - | 4,3 | 4,4 | 4,5 |
| Gevind | | M50 | M52 | M55 | M58 | M60 | M62 | M65 | M68 |
| Tykkelse s: | | 2 | 2 | 2 | 2 | 2 | 2 | 2,5 | 2,5 |
| Diameter d2: | | 54,2 | 56,2 | 59,2 | 62,2 | 64,2 | 66,2 | 69,2 | 72,5 |
| Bredde b: | | 4,6 | 4,7 | 5 | 5,2 | 5,4 | 5,5 | 5,8 | 6,1 |
| Gevind | | M70 | M72 | M75 | M80 | M85 | M90 | M95 | M100 |
| Tykkelse s: | | 2,5 | 2,5 | 2,5 | 2,5 | 3 | 3 | 3 | 3 |
| Diameter d2: | | 74,5 | 76,5 | 79,5 | 85,5 | 90,5 | 95,5 | 100,5 | 105,5 |
| Bredde b: | | 6,2 | 6,4 | 6,6 | 7 | 7,2 | 7,6 | 8,1 | 8,4 |
| Gevind | | M105 | M110 | M120 | M130 | M140 |
| Tykkelse s: | | 4 | 4 | 4 | 4 | 4 |
| Diameter d2: | | 112 | 117 | 127 | 137 | 147 |
| Bredde b: | | 8,7 | 9 | 9,7 | 10,2 | 10,7 |