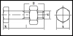
DIN 601

DIN 601 er en DIN-standard for en maskinbolt.
DIN 601 bliver erstattet med ISO 4016
| Gevind | M5 | M6 | M8 | M10 | M12 | M14 | M16 | M18 |
|---|---|---|---|---|---|---|---|---|
| Nøglevidde S: | 8 | 10 | 13 | 16 | 18 | 21 | 24 | 27 |
| Hovedhøjde K: | 3,5 | 4 | 5,3 | 6,4 | 7,5 | 8,8 | 10 | 11,5 |
| l≤125 mm | 16 | 18 | 22 | 26 | 30 | 34 | 38 | 42 |
| l>125 mm | 22 | 24 | 28 | 32 | 36 | 40 | 44 | 48 |
| l>200 mm | 35 | 37 | 41 | 45 | 49 | 53 | 57 | 61 |
| Gevind | M20 | M22 | M24 | M27 | M30 | M33 | M36 | M39 |
|---|---|---|---|---|---|---|---|---|
| Nøglevidde S: | 30 | 34 | 36 | 41 | 46 | 50 | 55 | 60 |
| Hovedhøjde K: | 12,5 | 14 | 15 | 17 | 18,7 | 21 | 22,5 | 25 |
| l≤125 mm | 46 | 50 | 54 | 60 | 66 | 72 | 78 | 84 |
| l>125 mm | 52 | 56 | 60 | 66 | 72 | 78 | 84 | 90 |
| l>200 mm | 65 | 69 | 73 | 79 | 85 | 91 | 97 | 103 |