Multimeter
Et multimeter (eller universalinstrument) er et måleinstrument, der bruges inden for elektronikken til at måle elektriske strømme, spænding og modstand, og ofte flere andre elektronik-relaterede fænomener.

Man skelner mellem to grundlæggende varianter af instrumentet: Det analoge multimeter, hvor det man måler angives af en viser på en skala (drejespoleinstrument), og det digitale multimeter, hvor en AD-konverter med tilhørende hjælpekredsløb giver en direkte, numerisk udlæsning af måleresultatet.
Analogt multimeter



Instrumentet er opbygget af et drejespoleinstrument, der har en linear skala for jævnstrøm og jævnspænding – og typisk ulinear for vekselstrøm og vekselspænding. Multimetre er ofte forsynet med et spejl, som muliggør undgåelse af parallaksefejl ved aflæsningen. Anvendelsen af spejlet er som følger: Før aflæsning skal man flytte sit hoved over viseren, så viseren dækker mest muligt over den spejlede viser. Nu aflæses værdien på skalaen. Evt. et eller flere vekselspændings og vekselstrøms områder, kan have deres egne ulineare (evt. røde) skalaer.
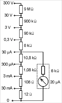
- Ved spændingsmåling kan ved hjælp af en omskifter indsættes forskellige formodstande, således at man kan få fuldt udslag ved varierende spændinger. Disse modstande vil typisk være valgte således, at spændingsområdere vokser med 10 dB, hvorved skalaerne typisk danner rækker som 1 – 3 – 10 – 30 – 100 – 300 Volt. Rækker der følger 1 – 2 – 5 er også set.
- Ved strømmåling sættes en lille modstand parallelt med drejespoleinstrumentet, der kan lede en del (typisk den største del) af strømmen, man ønsker at måle, uden om drejespoleinstrumentet. Sådan en modstand kaldes en shuntmodstand.
- Vekselspændingsmåling kræver at en diode ensretter spændingen, og det medfører en vis ulinearitet i de lave spændingsområder.
- Normalt ville multimetre ikke have mulighed for at måle vekselstrøm
- Ved modstandsmåling skal et indbygget instrument levere en strøm, gennem den ukendte modstand. Udslaget vil således være afhængig af den ukendte modstands størrelse, og Ohm-skalaen kalibreret derefter. Denne ulineære skala for modstand vil have "uendeligt", hvor strøm & spænding har nul, og fuldt udslag vil svare til en tilsluttet modstand på nul Ohm. Se ohmmeter
Sådan virker et digitalt multimeter
Analoge og digitale multimetre har nogle fællestræk i deres opbygning: De har to eller flere eksterne forbindelser, hvoraf to tilsluttes det der skal måles på, samt omskiftere hvormed man vælger hvad der skal måles (strøm, spændning, modstand eller andet), og ofte også et måleområde; hvor store strømme/spændinger/modstande multimeteret skal kunne "håndtere" uden overbelastning.
Elektronikken i et multimeter søger at omsætte det der skal måles på, til en spænding (eller evt. strøm) som til sidst måles af enten et drejespoleinstrument (for det analoge multimeters vedkommende) eller en AD-konverter:
- Ved spændingsmåling deles den ukendte spænding i en spændingsdeler efter et brøkforhold der fastlægges af det valgte måleområde, og bringer derved spændingen indenfor et område som multimeterets drejespoleinstrument eller AD-konverter (digitalt) kan tåle.
- Ved strømmålinger sendes den ukendte strøm igennem en af en række modstande, kaldet shuntmodstande, med præcise, velkendte værdier – omskifteren for måleområdet afgør hvilken – og spændingen over shunt-modstanden (som ifølge Ohms lov er ligefrem proportional med den målte strøm) måles så med enten drejespoleinstrument eller AD-konverter
- Ved målinger af modstand indgår den ukendte modstand i en spændingsdeler, Wheatstones bro eller en anden kobling, som giver en spænding der udtrykker størrelsen på den målte modstand – denne spænding måles derefter med et drejespoleinstrument med en dertil indrettet skala, eller en AD-konverter med hjælpekredsløb der kompenserer for evt. ulinearitet mellem den målte modstand og den tilsvarende spænding.
Ofte skal der måles strømme og spændinger som er langt mindre end det, drejespoleinstrumentet eller AD-konverteren er indrettet til, så multimetre har gerne en forstærker: Denne og drejespoleinstrumentet/AD-konverteren har i sig selv et "måleområde" svarende til det mindste spændingsområde multimeteret tilbyder, og alle de øvrige måleområder for strøm og spænding tilvejebringes ved hjælp af omtalte spændingsdelere og shuntmodstande.
Vekselstrøm og -spænding
Drejespoleinstrumenter og AD-konvertere kan i sig selv kun måle jævnspændinger og jævnstrømme , men så godt som alle multimetre er også i stand til at måle vekselstrøm og -spænding: Når man vælger sådan et måleområde, indkobles dioder der ensretter polariteten af den spænding der føres frem til drejespoleinstrument eller AD-konveter, samt en kondensator der "frasorterer" jævnstrømme ved vekselstrømsmålinger.
Denne kondensator skal have en tilpas stor kapacitet til, at dens reaktans overfor vekselstrømme ikke får mærkbar indflydelse på måleresultatet. Da reaktansen udover kapaciteten også afhænger af strømmens/spændingens frekvens, sætter denne kondensator samtidig en nedre grænse for, hvilke frekvenser multimeterets vekselstrømsmåleområder kan arbejde med.
Omvendt har ensretterkredsløbet og en evt. forstærker en vis øvre grænsefrekvens som samtidigt bliver den øvre frekvensmæssige grænse for multimeteret.
Flere faciliteter
Bedre og mere kompakte komponenter har gjort de muligt at bygge en masse ekstra faciliteter ind i transportable og sågar "lommestore" multimetre:
- Gennemgangs-tester: En variant af ohmmeter-funktionen kombineret med en lille lydgiver, som giver en hyletone når den målte modstand er nær ved nul ohm. Det bruges til at lede efter dårlige forbindelser eller kortslutninger; man kan holde blikket på de to kontaktsteder man vil teste og høre om der er forbindelse eller ej.
De strømme og spændinger der anvendes til denne funktion er gerne afpasset så en fungerende diode i lederetningen opfattes som en forbindelse, mens en fungerende diode i spærreretningen tolkes som en manglende forbindelse. - Kapacitetsmåling: På nogle multimetre findes et par særlige konstakt-"klemmer" hvor man kan tilslutte en kondensator hvis kapacitet ønskes målt, mens andre instrumenter med denne facilitet benytter de sædvanlige tilslutningspunkter og blot har "kapacitet" som en ekstra valgmulighed ved en omskifter.
- Termometer: Nogle multimetre har et stik for tilslutning af en temperaturprobe og kan derigennem måle temperaturer.
- Transistor-tester: På multimetre der kan måle på transistorer er der oftest et arrangement af terminaler, hvor de fleste transistortyper kan isættes i direkte. Ved måling sendes nogle prøve-strømme igennem transistoren, og multimeteret viser transistorens strømforstærkningsfaktor hFE.
Betjening
Måling i et tændt eller slukket elektrisk kredsløb kræver omhu, omtanke og forberedelse. Grundene er flere:
- Sikkerhed: Et tændt kredsløbs spændinger og strømme kan være så høje, at de er farlige; enten på grund fare for stød – eller pga. af gnister og deres hurtige varme partikler.
- Fysisk, motorisk: Målepindene eller ledninger kan smutte og dermed enten åbne eller kortslutte et kredsløb som ønskes målt.
- Betjeningsfejl: Analoge måleinstrumenter skal nulstilles før brug med en lille umagnetisk skruetrækker.
- Betjeningsfejl: Måleinstrumentet kan stå på et forkert måleområde eller være forbundet forkert.
- Målefejl: Man tager ikke højde for at måleinstrumentets indre modstand sammenlignet med kredsløbets.
Ved måling er det en god idé at måle på designerens anviste testpunkter i servicemanualen, da de er udvalgt eller designet til at kunne tåle måling og har en indre modstand som er lav nok. Men man skal alligevel udvise omtanke og forsøge at tænke på hvilken effekt måling det givne sted vil have i slukket eller tændt kredsløbstilstand.
Ved måling med et (især analogt) måleinstrument, vil man kunne komme til at:
- Måle en forkerte værdi
- Påvirke og evt. ødelægge det målte kredsløb
- Brænde måleinstrumentet eller evt. indbyggede sikringer af ved forkert brug.
Læs omhyggeligt brugervejledningen til måleinstrumentet før brug.
Jævnspænding
Jævnspændingsvoltmetre, især uden batteri/forstærker, vil aflede en lille strøm gennem sig under måling – uanset det valgte måleområde. F.eks. skal et drejespoleinstrument på 100 uA og 0,1 V for fuldt udslag skulle have mellem 0 og 100 uA gennem sig for at måle noget. Ved f.eks. 1 V for fuldt udslag vil voltmeteret maksimalt have en indre modstand på (1 V)/(100 uA)= 10 kohm.
Vil man måle på noget og maksimalt have en fejl på 1%, skal det man måler over maksimalt være 10 kohm/100= 100 ohm. Denne beregning er ikke eksakt – kun en rettesnor.
Hvis man måler spændingen over en modstand på 10 kohm, vil man i værste tilfælde kunne få en målefejl på 50% – og herudover påvirke et tændt kredsløb drastisk. Hvis man forsøger at måle spændingen over en modstand på 1 Mohm, skal der vist ikke meget fantasi til hvor slemt et sådant forsøg vil være.
Det er grunden til, at et voltmeter med indbygget forstærker hjælper med at minske målefejl, da de typisk har en indre modstand på 1 Mohm eller 10 Mohm uanset valgt måleområde, men man skal stadig tænke sig om.
Det bedste måleinstrument til at måle spændinger med store indre modstande er et rørvoltmeter eller transistorvoltmeter. Disse kan have mere end 1 Gohm i indre modstand.
Jævnstrøm
Ved jævnstrømmåling med et (især analogt) måleinstrument, skal der f.eks. være et spændingsfald på 0,1V ved fuldt viserudslag.
Skal man f.eks. måle 1 A betyder det at den indre modstand minimum vil være (0,1 V)/(1 A)= 0,1 ohm.
Hvis man f.eks. skal måle strømmen gennem en belastning på 1 ohm, vil målefejlen som rettesnor være 10% og herudover kan belastningens funktion være anderledes, da dens spænding er lavere under strømmåling.
Vekselstrømme og vekselspændinger
Ved måling af sinusformede vekselstrømme og vekselspændinger på ca. 50Hz uden overlejret jævnspænding eller jævnstrøm, vil der ikke være yderligere målefejl. Kig i måleinstrumentets anvisninger (før køb).
Hvis der derimod måles på andre frekvensformer f.eks. nålepulser, firkant eller savtak, vil der med stor sikkerhed være målefejl. Måling på vekselstrømme og vekselspændinger med lavere og højere frekvenser vil også give mulighed for målefejl.
Grundene til vekselstrømmes og vekselspændingers målefejl skyldes måleinstrumentets indbyggede frekvensafhængigheder:
- Ensretterdioder (både selve vekselspændingsensretterne og evt. overstrømsdioder, overspændingsdioder)
- Forstærkerens frekvensegenskaber i måleinstrumentets indre kredsløb
I ældre analoge multimetre sidder er der som regel punktkontakt-germaniumdioder, da disse dioder var de bedste på designtidspunktet. I mange instrumenter har dioderne ingen typebenævnelse; kun katodemarkering med en farvet prik.
Spole, kondensatorvirkning og antennevirkning
Måling på højimpedansede halvledere eller rørgitre skal gøres med omtanke, da disse steder er følsomme for opsamlede elektrostatiske felter og middelstærke radiobølger. Måleinstrumentet og tilledninger er normalt ikke afskærmede og fungerer derfor fint til at samle de uønskede felter og signaler op.
Måleinstrumentets og tilledningernes spole og kondensatorvirkning kan påvirke følsomme steder i elektroniske kredsløb.

