Astabil multivibrator
En astabil multivibrator (forkortelse AMV) er en elektronisk oscillator; et elektronisk kredsløb der leverer elektriske signaler der svinger med en mere eller mindre konstant frekvens: Signalet fra en astabil multivibrator "springer" i et fast tempo mellem to forskellige spændinger – dette signal er langt fra harmonisk eller "en ren tone", og derfor klassificeres den astabile multivibrator som en kiposcillator.
"Astabil" kan oversættes med "ustabil", og det skal forstås sådan at kredsløbet ikke er i stand til at "blive stående" i en bestemt tilstand, men er tvunget til at skifte tilstand, dvs. oscillere. To andre varianter af samme kredsløb er den monostabile (som kan forblive i en enkelt stabil tilstand) og den bistabile multivibrator (som har to stabile tilstande den kan forblive i).
Sådan virker den astabile multivibrator

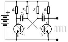
Til højre ses et diagram over en astabil multivibrator, bygget op omkring to bipolare transistorer og (samme princip kan realiseres med felteffekttransistorer, radiorør og andre aktive komponenter): Hver transistor sidder i et "minimalistisk" forstærkertrin af typen Fælles emitter, og fra hver transistors kollektor føres signalet via en kondensator til basis på den modsatte transistor: Signalet kan altså "løbe i ring" frem og tilbage mellem de to transistortrin.
Udgangssignalet der tappes fra 's kollektor skifter mellem næsten hele den positive forsyningsspænding, til en anelse over den negative forsyningsspænding. Ser man på det øjeblik hvor signalet skifter fra den høje til den lave spænding, så starter kondensatoren med at være næsten helt afladet. Den lades dog gradvist op af den strøm der går fra den positive forsyningsledning øverst i diagrammet, gennem modstanden ; spændingen i dette punkt stiger gradvist mens kondensatoren lades. Dette punkt er også forbundet med basis på den anden transistor, , og på et tidspunkt bliver spændingsforskellen mellem basis og emitter på stor nok til at denne transistor begynder at lede strøm fra kollektor til emitter.
Derved falder spændingen på 's kollektor brat, hvorved den tilhørende kondensator starter på den samme opladningsproces, blot gennem og 's kollektorside. står i forbindelse med 's basis, så spændingen her falder så meget at for en stund ikke leder strøm mellem kollektor og emitter: Derved bliver spændingsfaldet hen over minimalt; 's kollektorspænding, og med den udgangssignalets spænding, ligger derfor tæt på den posive forsyningsspænding.
Dette fortsætter mens lades op, indtil spændingen på 's basis bliver stor nok til at transistoren kan lede strøm. Når det sker, falder 's kollektorspænding, og processen starter forfra.
Puls- og pausetider i multivibratorens signal
De tidsrum som kredsløbet "opholder sig" i hver af de to tilstande, afhænger af hvor lang tid det tager at lade de to kondensatorer så meget op, at den relevante transistor begynder at trække strøm. I det viste diagram vil signalet på udgangen have den høje spænding mens lades op gennem : Den tid det tager før begynder at lede strøm og udgangssignalet falder til den lave spænding, kan beregnes tilnærmelsesvist med denne formel:
Tilsvarede kan man beregne den tid signalet har den lave spænding og er ved at blive ladet op, sådan her:
Periodetiden for udgangssignalet bliver i alt , og da periodetiden er det reciprokke af signalets frekvens , har man at: