Fælles kollektor
Fælles kollektor, også kaldet jordet kollektor eller emitterfølger, er navnet på et forstærkertrin baseret på en bipolar transistor. Navnet skyldes, at transistorens kollektor (i teorien) har forbindelse både til forstærkertrinnets indgang og til dets udgang – i tilfældet med en NPN-transistor er denne kollektor dog forbundet til forsyningsspændingen, mens den ene "side" af ind- og udgangen er forbundet med stel. Men da både stel og forsyningsspændingen er uden vekselspænding (dvs. signaler), betragtes begge som "AC-mæssigt stel", dvs. signalmæssigt det samme "sted".
Fælles kollektor-trinnet kendetegnes ved en stor indgangsimpedans og lille udgangsimpedans; det har således en stor strømforstærkning. Til gengæld er spændingsforstærkningen minimal, da udgangssignalet i praksis har samme amplitude som indgangssignalet.
Sådan virker fælles kollektor-trinnet

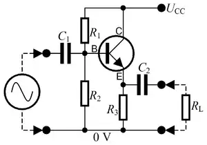
Til højre ses diagrammet for et fælles kollektor-trin: Transistorens basis er tilsluttet en spændingsdeler bestående af modstandene og , som sørger for at basis har en jævnspænding der er så tilpas meget højere end spændingen på emitter, at der gennem transistorens kollektor og emitter går en vis strøm, kaldet hovedstrømmen, for småsignal-transistorer typisk 1-10 milli-ampere. Denne strøm medfører et sådant spændingsfald over emittermodstanden , at der på transistorens emitter findes ca. halvdelen af den forsyningsspænding der er til rådighed for trinnet.
Det signal der skal forstærkes, føres ind igennem kondensatoren , kaldet indgangskondensatoren – denne kondensator nødvendiggøres af at jævnspændingen fra signalkilden (her vist med diagramsymbolet for en tonegenerator) næsten altid har en anden jævnspænding (f.eks. 0 volt) end den der skal være på transistorens basis. Derved skaber signalet små variationer i spændingen på transistorens basis, og dette får transistoren til at variere den strøm der "får lov" til at passere gennem kollektor og emitter. Når indgangssignalet får basisspændingen til at stige, stiger strømmen gennem emittermodstanden , således at spændingsforskellen mellem transistorens basis og emitter falder. På den måde opretholdes et konstant spændingsfald mellem basis og emitter, og følgelig vil udgangssignalet udvise de samme spændingsudsving som indgangssignalet.
Egenskaber
Udgangssignalet, der udtages over emittermodstanden vil gennemløbe de samme udsving som det påtrykte indgangssignal, blot vil der (målt mellem basis og emitter på transistoren) være en konstant spændingsforskel som tilsigter at transistoren til stadighed er "åben" for en vis strømstyrke.
I de følgende formler repræsenterer symbolet beregningen for parallelkobling af modstande/impedanser.
Indgangsimpedans
Indgangsimpedansen er temmelig stor, og afgøres primært af de to basismodstande og , idet , hvor er emitterens indre modstand (givet ved )
Udgangsimpedans
Udgangsimpedansen er altid forholdsvis lille, og bestemmes hovedsageligt af , idét
Nedre grænsefrekvens
Skillekondensatorerne i ind- og udgang har den bivirkning at de sætte en nedre grænse for frekvenserne i de signaler trinnet kan bearbejde. Disse kondensatorer virker i samspil med ind- og udgangsimpedanserne samt den signalkilde hhv. belastning der tilsluttes, som et højpasled. Derfor skal disse kondensatorer have så tilpas store værdier, at denne nedre grænsefrekvens ikke får nogen praktisk betydning for anvendelsen af forstærkertrinnet.