Fælles basis
Fælles basis, eller jordet basis er navnet på et forstærkertrin baseret på en bipolar transistor. Navnet skyldes at transistorens basis, for så vidt angår vekselspændinger (signaler) står i forbindelse med den ene "side" af såvel signalkilden på forstærkertrinnets indgang som den belastning trinnet driver gennem sin udgang. Denne type forstærkertrin bruges relativt sjældent, idet det har en usædvanlig lav indgangsimpedans. Til undtagelsrerne hører VHF- og UHF-forstærkere, hvor det faktum at udgangssignalet kun passerer en enkelt PN-overgang er en afgørende fordel.
Ud over den lille indgangsimpedans kendetegnes fælles basis-forstærkertrinnet af en stor spændingsforstærkning (over 100 gange eller 40 dB) samt en middelstor udgangsimpedans, i praksis af størrelsesordenen 500 ohm til 10 kiloohm.
Sådan virker fælles basis-trinnet

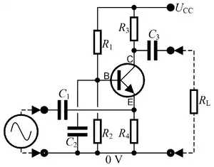
Til højre ses diagrammet for et fælles basis-trin: Transistorens basis er tilsluttet en spændingsdeler bestående af modstandene og , som sørger for at basis har en spænding der er så tilpas meget højere end spændingen på emitter, at der gennem transistorens kollektor og emitter går en vis strøm, kaldet hovedstrømmen, for småsignal-transistorer typisk 1-10 milli-ampere. Denne strøm er afpasset, så der over emittermodstanden er et spændingsfald på mellem en tiendedel og en sjettedel af den samlede forsyningsspænding , mens transistorens kollektor-emitter-strækning og kollektormodstanden "deles om resten".
Midtpunktet i spændingsdeleren og er stabiliseret ved hjælp af kondensatoren , således at de små variationer i strømforbruget ind igennem transistorens basis der vil forekomme når trinnet behandler signaler, ikke kan "forrykke" spændingen på transistorens basis.
Det signal der skal forstærkes (er symboliseret ved diagramsymbolet for en tonegenerator), føres ind på transistorens emitter via indgangskondensatoren : Dette medfører nogle små variationer i spændingsforskellen mellem basis og emitter, og da denne spænding er afgørende for hvor stor en strøm transistoren "lader passere", vil signalet ytre sig som variationer i hovedstrømmen, og dermed i spændingsfaldet over kollektormodstanden , hvorfra udgangssignalet tages ud gennem udgangskondensatoren .
Egenskaber
Betragter man diagrammet i en "øjeblikssituation" hvor indgangsspændingen, og dermed også spændingen på emitteren, stiger, så vil spændingsforskellen mellem basis og emitter, og med den hovedstrømmen , falde. Derved falder også spændingsfaldet over kollektormodstanden , og da dennes øverste ende er koblet til et sted med konstant jævnspænding, vil udgangssignalet stige som følge af det stigende indgangssignal: Ind- og udgangssignal "følges" så at sige ad, blot med den forskel at udsvinget på udgangen er meget større end udsvinget i indgangssignalet.
I de følgende formler repræsenterer symbolet beregningen for parallelkobling af modstande/impedanser.
Indgangsimpedans
Indgangsimpedansen bestemmes primært af emitterens indre modstand , idet , hvor .
Udgangsimpedans
Udgangsimpedansen er givet ved , hvor er transistorens udgangsimpedans på kollektoren i forhold til emitteren.
Forstærkning
Spændingsforstærkningen afhænger af den belastning som trinnet skal drive, idet
Nedre grænsefrekvens
Skillekondensatorerne i ind- og udgang har den bivirkning at de sætte en nedre grænse for frekvenserne i de signaler trinnet kan bearbejde. Disse kondensatorer virker i samspil med ind- og udgangsimpedanserne samt den signalkilde hhv. belastning der tilsluttes, som et højpasled. Derfor skal disse kondensatorer have så tilpas store værdier, at denne nedre grænsefrekvens ikke får nogen praktisk betydning for anvendelsen af forstærkertrinnet; dette er især kritisk for trinnets indgang, da dets indgangsimpedans er temmelig lille.