Vackář-oscillator
En Vackář-oscillator er en oscillator med variabel frekvens med et bredt justerbart frekvensinterval til anvendelser i fx HF-SHF. Vackář-oscillatorens designstyrke er et næsten konstant output amplitude over dens justerbare frekvensinterval.
Vackář-oscillatoren minder noget om en Colpitts-oscillator eller Clapp-oscillator, men disse design har ikke konstant output amplitude over deres variable frekvensinterval.
Opfindelse
I 1949, offentliggjorde den tjekkiske ingeniør Jiří Vackář en artikel med design af en stabil oscillator med variabel frekvens (VFO).[1] Artiklen diskuterer mange stabilitets emner såsom variation med temperatur, atmosfærisk tryk, komponentaldring og mikrofoni. Fx beskriver Vackář hvordan man laver spoler ved først at opvarme tråden - og først herefter vikles tråden på en stabil keramisk spoleform (uden magnetisk kerne!). Den resulterende spole har en temperaturkoefficient på 6 til 8 parts per million (ppm) per grad Celsius.[2] Vackář pointerer at almindelige variable luftkondensatorer har en stabilitet på 2 tusindedele. For fx at bygge en VFO med en stabilitet på 50 ppm forudsættes, at den variable kondensator kun er 1/40 af den samlede svingningskreds' kapacitet (0,002/40 = 50ppm). Stabilitetskravene forudsætter også, at den variable luftkondensator, kun kan justeres over et begrænset frekvensinterval på 1:1,025.[2] Større justeringsintervaller kræver skift af stabile faste kondensatorer eller spoler.[3]
Vackář var interesseret i design med høj stabilitet, så han ønskede den højeste godhed Q for svingningskredsen. Det er muligt at lave en VFO med et bredt frekvensinterval, med stabilt output amplitude, ved at sænke svingningskredsgodheden.[4] En stor ulempe ved dette kompromis er, at oscillatoren så har mere sidebåndsstøj.
Vackář var også opmærksom på variabel frekvens oscillatorers amplitudevariationer, som funktion af frekvensændringen, gennem deres design frekvensinterval. Vackář antog, at svingningskredsene havde et konstant Q over VFOernes frekvensintervaller. Vackář analyserede adskillige eksisterende oscillatorkredsløbs amplitudestabilitet.[5] Clapp-oscillatorens transkonduktans krav er proportional med ω3. Hvis Clapp-oscillatorens transkonduktans justeres til netop at oscillere ved den laveste frekvensintervals frekvens, vil oscillator blive overstyret ved dens højeste frekvens. Seiler og Lampkin oscillatorer har transkonduktans krav på proportional til ω−1.
Vackář beskriver så i sin artikel et oscillatorkredsløb fra Radioslava i 1945, som holder "a comparatively constant amplitude over a wide frequency range."[6] Vackář rapporterede, at VFO-kredsløbet er blevet anvendt af det tjekkiske postvæsen siden 1946. Vackář giver ikke udtryk for, at han er ophavsmanden til kredsløbet, men han analyserer det og forklarer hvordan den får sin næsten konstante amplitude over frekvensintervallet. Dette kredsløb er blevet kendt som Vackářs VFO.[7] Vackář omtaler kredsløbet som "vores kredsløb" - og oplyser at O. Landini uafhængigt, har opdaget kredsløbet og offentliggjort det (uden en analyse) i Radio Rivista i 1948.[8] Vackář beskriver et VFO design, der anvender dette kredsløb, som dækker en frekvensinterval på 1:1,17.[8]
Vackář beskriver så i sin artikel, en variation af Radioslavia-oscillatorkredsløbet, som kan dække et frekvensinterval på 1:2,5.[9] Kredsløbet antager ikke, at svingningskredsen har et konstant Q.
Vackář patenterer dette oscillatorkredsløb og to variationer over det.[10]
Kredsløbsfunktion

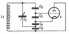
Diagrammet øverst er ækvivalent med figur 5 i hans artikel (Radioslavia-design), men ændret til brug med en junction-FET. L1 med C0 og Ca udgør svingningskredsen fra en Colpitts-oscillator - og Cv/Cg er gate-spændingsdeleren. Kredsløbet kan justeres med C0. Eksempelværdier er i hans artikel.
Kredsløbet ligner en tidligere Seiler-oscillator - forskellen er, at i Seiler-oscillatorer er C0 forbundet til den anden side af Ca. Vackář baserer sit design på stabilitetsanalyse af Gouriet-Clapp (Vackář hævder at Gouriet-Clapp kun virker på frekvensintervaller op til max. 1:1,2), Seiler[11] and Lampkin[12]-oscillatorer (i Lampkin-oscillatorer anvendes en induktiv spændingsdeler på svingningskredsens spole i stedet for Cv, Cg og Ca i Seilers; diagrammet er i den første kilde).
Oscillatorens stabilitet skyldes mest afhængigheden af elektronrørets (eller transistorens) forward transkonduktans ved svingningskredsens resonansfrekvens (eller vinkelhastighed ω). Specifikt fandt Vackář at forward transkonduktansen varierer med ω3 for Clapp-oscillatorer, som 1/ω for Seiler-oscillatorer - og med ω/Q for Vackářs design, hvor spolens (L1) Q-faktor stiger med ω.
Betingelserne for forward transkonduktansen som varierer, minimeres med hensyn til ω opfyldes hvis:
og svingningskredsens Q stiger proportionalt med ω,[1] hvilket omtrent gælder for almindelige luftspoler.
Vackář-oscillator understøttende større frekvensforhold
Vackář beskriver i sin artikel en variation af Radioslavia-oscillatorkredsløbet, figur 6 i hans artikel, som kan dække et frekvensinterval på 1:2,5.[9] Kredsløbet antager ikke, at svingningskredset har et konstant Q. Vackář patenterer også dette oscillatorkredsløb.[10]
udgangspunkt:
udgangspunkt:
Kilder/referencer
- Vackář, Jiří (december 1949), LC Oscillators and their Frequency Stability (PDF), Tesla Technial Reports, Prague, Czechoslovakia: Tesla National Corporation, UDC 621.396.615.12, arkiveret (PDF) fra originalen 19. februar 2012, hentet 6. juni 2015
- Vackář 1949, s. 2
- Moderne lav fasestøj spændingsstyrede oscillatorer anvender bankskift.
- Der er et indsætningstabs udfordring som Vackář ignorerer.
- Vackář 1949, s. 5
- Vackář 1949, s. 6
- Schetgen, Robert, red. (1996), "The G3PDM Vackar VFO", The ARRL Handbook for Radio Amateurs (seventy-third udgave), s. 14.17-14.18, ISBN 0-87259-173-5
- Vackář 1949, s. 7 citing Landini, O. (november 1948), "Radio Rivista", Radio Rivista
- Vackář 1949, s. 8
- US 2706249, Vackář, Jiří, "Stabilization of resonant circuits", published 10. februar 1950, issued 12. april 1955
- Seiler, E. O. (november 1941), "Variable Frequency Oscillator", QST
- Lampkin, G. F. (marts 1939), "An Improvement in Constant Frequency Oscillators", Proceedings of the IRE
Eksterne henvisninger
- Vacuum tube Vackář
- Transistor Vackář
- Very Low Phase Noise Vackar VFO for HF Transceivers. (Little variation from G3PDM's design. Very low phase noise claim is dubious; NF = 20dB?)
- CMOS Implementation of Voltage Controlled Oscillator Citat: "...[pdf-page 30]...And here is the winner. If you want to build a very stable, low phase noise, and low spurious VCO, definitely Vackar VCO is the choice...It differs in that the output level is more stable over frequency, and has a wider bandwidth when compared to a Colpitts or Clapp design..."
- No-bias L-C High-Frequency Oscillator Arkiveret 3. marts 2016 hos Wayback Machine
