Buck-boost-konverter
For alternative betydninger, se Buck-boost-konverter (flertydig). (Se også artikler, som begynder med Buck-boost-konverter)
Den inverterende buck–boost-konvertere er en type af switching-mode power supply (SMPS) , som har en udgangs-/output-spænding, der kan være numerisk større end, lig med eller mindre end indgangs-/input-spændingen. Buck–boost-konvertere er en klasse af smps, indeholdende i sin simpleste form, en kommutationscelle: en aktiv kontakt (f.eks. en transistor), en passiv kontakt (f.eks. en diode) og en spole som energilager. Herudover har buck–boost-konverteren sædvanligvis brug for filtrering udgjort af kondensatorer (mange gange i kombination med spoler) for at minske både input-fluktuationer og output-fluktuationer (ripple) og EMI. Output-spændingen kan ændres ved at ændre den aktive kontakts arbejdscyklus.
Driftsprincip

Det grundlæggende princip, som får buck-boost-konverteren til at virke, er spolens selvinduktion – og herudover den rette timing og miljø.
Når spolen lagrer energi, opfører den sig som en belastning, og absorberer energi, som lagres i magnetfeltet – og når den afgiver energi, opfører den sig som en energikilde. Spændingen, den opretholder under afladningsfasen, er præcis så stor, at spolens strøm (relateret til magnetfeltet) opretholdes.
Vedvarende/kontinuert strømdrift (CCM)


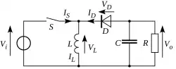
Når en buck-boost-konverter drives i kontinuert strømdrift (Continuous Conduction Mode), falder strømmen gennem spolen () ikke til nul. De anvendte komponentkoder er som i figur 1.
Yderligere antagelser i dette afsnit:
- komponenterne har ideel opførsel
- konverteren arbejder i ligevægt
- er konstant
- Belastningen er passende høj resistans og kondensatoren passende høj kapacitans
- er konstant, hvilket betyder at kondensatorens kapacitans nødvendigvis er uendelig
- har forskellig fortegn fra . Med den viste dioderetning er output negativ.
Figur 3 viser de typiske strøm- og spændingsgrafer i en konverter med CCM-drift. En buck-boost-konverters driftstilstande under CCM (se figur 2) er:
- i transistor on-tilstanden (diode off), er S ledende (se figur 1), hvilket resulterer i en stigende spolestrøm over tidsinterval [0;D*T].
- i transistor off-tilstanden (diode on), er S ikke-ledende og så længe den er det (og der er energi lagret i spolens magnetfelt), vil dioden lede spolens genererede strøm til kondensatoren C og belastningen R. Dette sker over tidsinterval [D*T;T]
Under de tidligere nævnte antagelser, kan output-spændingens ligning udledes. Dette gøres i det følgende.
Når S er ledende; on (transistoren er on), vil input-spændingen () være påtrykt spolen, hvilket resulterer i en linear stigende strøm (), der løber gennem spolen som funktion af (t), som kan beregnes ved følgende formel:
Ved slutningen af S on-perioden, vil stigningen af IL derfor være:
D er arbejdscyklus (en. duty cycle). D repræsenterer brøkdelen, at S er on i forhold til den totale S on plus S off tid (S on plus S off er her kommutationscyklens tid). Derfor vil D være mellem 0 (S er aldrig on) og 1 (S er altid on).
Når S er off, sender spolen en faldende strøm over tid gennem kondensator og belastning. Under de tidligere antagelser, vil udviklingen af IL være lineart faldende:
I så fald vil det lineare IL fald under S off-perioden være:
Da vi antager, at konverteren drives under ligevægtsbetingelser, bliver energimængden gemt i hver af dets komponenter nødt til at være den samme ved begyndelsen og slutningen af kommutationscyklen. I spolen vil den være givet ved:
Derfor vil spolestrømmen, under de givne antagelser, være den samme ved begyndelsen og slutningen af kommutationscyklen. Dette kan skrives som
Ved at erstatte og med deres udtryk giver:
Dette kan skrives som:
Hvilket viser at arbejdscyklus er:
Fra ovennævnte udtryk kan det ses, at output-spændingen polaritet altid er forskellig fra input-spændingen. Hvis antagelserne holder, og input-spændingen f.eks. er positiv, vil den negative output-spænding numerisk stige med D, (når arbejdscyklus går fra 0 til 1) – og teoretisk mod -uendelig, når D går mod 1. Når der ses bort fra polariteten, er denne konverter enten en step-up (som en boost-konverter) eller step-down (som en buck-konverter). Dette er årsagen til at den refereres som en buck–boost-konverter.
Diskontinuert strømdrift (DCM)

Man kan vælge, at spolestrømmen skal falde til nul i en del af kommutationscyklen. Den eneste forskel fra CCM-drift er, at spolen er tømt for energi i en kort tid (se figur 4). Nomenklatur som i figur 1.
Yderligere antagelser i dette afsnit:
- komponenterne har ideel opførsel
- konverteren arbejder i ligevægt
- er konstant
- Belastningen er passende høj resistans og kondensatoren passende høj kapacitans
- er konstant, hvilket betyder at kondensatorens kapacitans nødvendigvis er uendelig
- har forskellig fortegn fra . Med den viste dioderetning er output negativ.
En buck-boost-konverters driftstilstande under diskontinuert strømdrift (DCM) (se figur 2) er:
- i transistor on-tilstanden (diode off), er S ledende (se figur 1), hvilket resulterer i en stigende spolestrøm over tidsinterval [0;D*T].
- i transistor off-tilstanden (diode on), er S ikke-ledende, og så længe der er energi lagret i spolens magnetfelt, vil dioden lede spolens genererede strøm til kondensatoren og belastningen R. Dette sker over tidsinterval [D*T;(D+δ)*T].
- i transistor off-tilstanden (diode off), er S ikke-ledende, og der er ingen energi lagret i spolens magnetfelt, så dioden er også ikke-ledende. Dette sker over tidsinterval [(D+δ)*T;T].
Det har en effekt på output-spændingens ligning. Den udledes i det følgende.
Da spolestrømmen ved begyndelsen af kommutationscyklen er nul, vil dens maksimumsværdi (at ) være
transistor off-tilstanden (diode on), IL falder til nul efter :
Ved at anvende de to foregående ligninger er δ:
Belastningsstrømmen Io er lig diodens middelstrøm (ID). Som det kan ses på figur 4, er diodestrømmen lig spolestrømmen mens S er off. Derfor kan output-strømmen skrives som:
Ved at udskifte ILmax og δ med deres respektive udtryk fås:
Derfor kan output-spændings-forstærkningsfaktoren skrives som følger:
Sammenlignet med udtrykket af output-spændingen for CCM-drift, er dette udtryk mere kompliceret. Ydermere vil output-spændings-forstærkningsfaktoren ikke kun afhænge af arbejdscyklus, men også af spolens induktans, input-spændingen, skiftefrekvensen og output-strømmen.
Kilder/referencer
Yderligere læsning
Se også
![]() |
Wikimedia Commons har medier relateret til: |
