Fælles gate

Fælles gate, eller jordet gate, er navnet på et forstærkertrin baseret på en felteffekttransistor. Navnet skyldes at transistorens gate-tilledning står i mere eller mindre direkte forbindelse med den ene "side" af både forstærkerens indgang og udgang.

Kendetegnende for et fælles gate-forstærkertrin er en relativt lille indgangsimpedans (ca. 1000 ohm eller mindre), en udgangsimpedans på typisk nogle få kiloohm, og en ikke særlig stor spændingsforstærkning; op til en snes gange (svarende til op imod 26 decibel)

Sådan virker fælles gate-trinnet

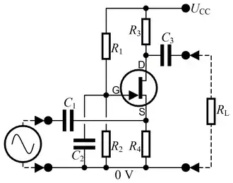
Diagram for et forstærkertrin af typen "Fælles gate"

Til højre ses diagrammet for et fælles gate-forstærkertrin: modstandene og danner en spændingsdeler der fastlægger den spænding der skal være på transistorens gate-forbindelse. Der går ikke nogen strøm i transistorens gate; kondensatoren skal blot sikre at denne spæning er stabil og ufølsom overfor støj. Hvis man indretter trinnet med et arbejdspunkt med gatespændingen 0 volt, kan man udelade både og , og blot slutte transistorens gate direkte til stelledningen.

Gatens spænding tilpasses så den er en kende lavere end spændingen på transistorens source; derved tillades en vis strøm, kaldet hovedstrømmen, gennem drain- og source-forbindelserne. Denne strøm medfører et vist spændingsfald over drainmodstanden og sourcemodstanden . Hele arrangementet er selv-stabiliserende, sådan at evt. variationer i hovedstrømmen vil få spændingsforskellen mellem gate og source til at ændres i en retning der bringer strøm og spændinger i trinnet tilbage til det tilsigtede arbejdspunkt.

Det signal der skal behandles, føres ind gennem indgangskondensatoren — denne tjener som skillekondensator for jævnspændinger, eftersom signalkilden oftest vil arbejde ved en anden spænding end den der skal være på sourcen. Signalet vil få spændingen på source til at variere i forhold til den konstante spænding på gaten, og variationerne i spændingsforskellen mellem gate og source vil medføre tilsvarende variationer i hovedstrømmen. Disse strømvariationer vil igen bevirke at spændingsfaldet over drainmodstanden vil variare, blot med en større amplitude end det oprindelige indgangssignal.

Egenskaber

Betragter man en "øjeblikssituation" hvor indgangssignalet er stigende, ser man at signalet får spændingsforskellen mellem gate og source til at stige, hvilket får hovedstrømmetn til at stige, og dermed hovedstrømmen, og med den spændingsfaldet over drainmodstanden , til at falde. Da drainmodstanden er forbundet med en konstant jævntspænding, vil der i dens modsatte ende (hvorfra udgangssignalet hentes) være en stigende spænding. Stigende indgangssignal får altså udgangssignalet til at stige; de to signaler er således i samme fase.

I de følgende formler repræsenterer symbolet beregningen for parallelkobling af modstande/impedanser.

Indgangsimpedans

Signalkilden "ser" igennem indgangskondensatoren ind i et punkt hvor den dels skal drive sourcemodstanden , dels impedansen i transistorens source-forbindelse. Heraf følger at indgangsimpedansen er givet ved , hvor er transistorens stejlhed.

Udgangsimpedans

Udgangsimpedansen skabes af drainmodstanden og "udgangs-admittansen" i transistorens drain i forhold til source:

Forstærkning

Spændingsforstærkningen afhænger af den eventuelle belastning som udgangen skal drive, idét

Nedre grænsefrekvens

Skillekondensatorerne i ind- og udgang har den bivirkning at de sætte en nedre grænse for frekvenserne i de signaler trinnet kan bearbejde. Disse kondensatorer virker i samspil med ind- og udgangsimpedanserne samt den signalkilde hhv. belastning der tilsluttes, som et højpasled. Derfor skal disse kondensatorer have så tilpas store værdier, at denne nedre grænsefrekvens ikke får nogen praktisk betydning for anvendelsen af forstærkertrinnet — dette er specielt kritisk for indgangskondensatoren på grund af den relativt lille indgangsimpedans.

Se også