Split-pi-konverter

Indenfor elektronik er en boost-buck-konverter eller split-pi-konverter en switch-mode-strømforsyning, der kan producere en udgangsspænding højere, lig eller lavere end indgangsspændingen - men ikke omvendt af indgangsspændingen. I praksis er den øvre udgangsspænding begrænset til spændingen for de anvendte komponenter. Det er i bund og grund en boost-konverter (step-up) efterfulgt af en buck-konverter (step-down). Topologien og brugen af aktive kontakter i de to halvbroer gør at konverteren kan anvendes bidirektionalt, hvilket også egner sig til applikationer, der kræver regenerativ bremsning.[1][2]
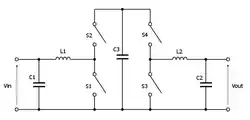
Split-pi får sit navn fra pi-kredsløbet på grund af brugen af to pi-filtre i serie og opdelt med halvbroer (fx med effekt MOSFETs).
I Storbritannien blev boost-buck-konverteren patenteret i 2002.[3] Et patent udløber typisk efter 20-25 år.
Funktionsprincip
I typisk drift, hvor en indgangsspænding er placeret ved indgangsterminalerne på venstre side, fungerer den venstre halvbro som en boost-konverter, og den højre halvbro fungerer som en buck-konverter. I regenerativ tilstand er det omvendte tilfælde, hvor venstre halvbro fungerer som en buck-konverter og højre halvbro som boost-konverter.
Kun én halvbro skifter til enhver tid for at give spændingskonvertering, med den ikke-skiftende halvbros øverste kontakt altid tændt. En lige igennem 1:1 spændingsudgang opnås med den øverste kontakt på hver halvbrokontakt tændt, og den nederste slukker. Udgangsspændingen er justerbar baseret på arbejdscyklussen.
Referencer
- ↑ 5th November issue, 2008, Electronics Weekly (scimar.co.uk): Seamless motoring with split-pi, backup Citat: "...New power supply topology passes smoothly from step-up to step-down and is bi-directional, writes Tim Crocker..."
- ↑ greenenergytechnologies.eu: "Split-Pi" Power Controller Technology Citat: "...Patented “Split-Pi” technology minimises passive and active component mass to provide high efficiency DC-DC up and down voltage conversion with the ability to seamlessly sink and source electrical current with identical forward and reverse transfer characteristics..."
- ↑ British Patent GB2376357B - Power converter and method for power conversion