Fælles source
Fælles source, eller jordet source, er navnet på et forstærkertrin, baseret på en Felteffekttransistor. Navnet skyldes, at transistorens source-tilledning (for så vidt angår vekselstrømme, dvs. signaler) står i forbindelse med den ene "side" af både forstærkerens indgang og udgang.
Fælles source-trinnet er inverterende (dvs. leverer et udgangssignal, der er i modfase i forhold til indgangssignalet) og kan i teorien have en ubegrænset stor indgangsimpedans – i praksis fra 1 til 10 millioner ohm. Spændingsforstærkningen er til gengæld ikke særlig stor, typisk mellem 1 og 20 gange (0-26 decibel). Udgangsimpedansen er typisk af størrelsesordenen nogle få kiloohm.
Sådan virker fælles source-trinnet

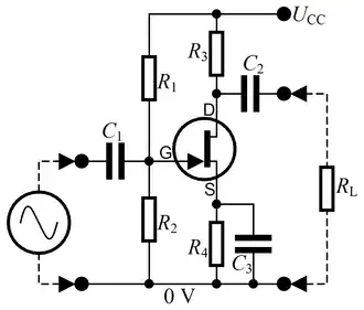
Til højre ses diagrammet for et fælles source-trin: Transistorens gate bibringes en vis spænding, der fastsættes af spændingsdeleren bestående af modstandene og . Hvis man indretter trinnet til at arbejde med 0 volt på gaten, kan man helt udelade og bruge en meget stor værdi for – fordelen ved dette er, at man kan opnå en tilsvarende stor indgangsimpedans.
Gatespændingen er en kende lavere end spændingen på source-ledningen, sådan at transistoren lader en vis strøm, kaldet hovedstrømmen, passere genmem drain og source. Denne strøm medfører et vist spændingsfald over drainmodstanden og sourcemodstanden – spændingsfaldet over sidstnævnte fastlægger samtidig spændingen ved transistorens source. Afkoblingskondensatoren begrænser modkoblingen i trinnet ved at begrænse små, hurtige udsving i spændingen over som en følge af det signal, trinnet behandler. Til gengæld vil mere langsigtede ændringer i hovedstrømmen resultere i en ændring i sourcespændingen, som vil søge at bringe transisorens strømme og spændinger tilbage mod det oprindelige arbejdspunkt.
Det signal, der skal forstærkes, føres ind gennem kondensatoren , kaldet indgangskondensatoren – denne kondensator nødvendiggøres af, at jævnspændingen fra signalkilden (her vist med diagramsymbolet for en tonegenerator) næsten altid har en anden jævnspænding (f.eks. 0 volt) end den, der skal være på transistorens gate. Signalet vil medføre små variationer i gatens spændinger, og derfor også i hovedstrømmen gennem transistoren. Ændringerne i hovedstrømmen medfører tilsvarende – men noget større – ændringer i spændingen over drainmodstanden , hvorfra udgangssignalet tages ud gennem udgangskondensatoren
Egenskaber
Hvis gatespændingen stiger som en følge af et stigende indgangssignal, vil hovedstrømmen samtidig stige: Dette skaber et stigende spændingsfald over , og da denne er tilsluttet en fast jævnspænding, vil spændingen falde der, hvor den er forbundet med udgangen; forstærkeren er altså inverterende, og udgangssignalet vil være i modfase i forhold til indgangssignalet.
I de følgende formler repræsenterer symbolet beregningen for parallelkobling af modstande/impedanser.
Indgangsimpedans
Da der ikke går nogen strøm i transistorens gate, afhænger indgangsimpedansen alene af den eller de modstande, der står i forbindelse med indgangen: .
Er udeladt (fordi trinnet arbejder med en gatespænding på 0 volt), er indgangsimpedansen lig med den tilbageværende modstand . Dette kan føre til meget store indgangsimpedanser, idét sådan en "enlig" gatemodstand ikke skal trække nogen strøm, og derfor uden problemer kan være på flere megaohm.
Udgangsimpedans
Udgangsimpedansen afhænger af drainmodstanden samt af "udgangs-admittansen" i transistorens drain, , idet
Udgangsimpedansen er for et forstærkertrin bygget med en småsignal-transistor af størrelsesordenen nogle få kiloohm.
Forstærkning
Spændingsforstærkningen afhænger bl.a. af den belastning ( på diagrammet), som udgangen skal drive. Hvis man har sat modkoblingen ud af kraft vha. , bliver udgangssignalet typisk en snes gange så stort som indgangssignalet. Mere præcist gælder at
, hvor er transistorens stejlhed.
Lader man trinnet "modkoble sig selv" ved at udelade , bliver forstærkningen noget mindre med et udgangssignal, der blot er nogle få gange større end indgangssignalet. Der gælder at
, hvor er transistorens stejlhed.
Er belastningen samtidig så stor, at den ikke spiller nogen praktisk rolle, kan man beregne forstærkningen approksimativt på denne måde:
Nedre grænsefrekvens
Skillekondensatorerne i ind- og udgang har den bivirkning, at de sætter en nedre grænse for frekvenserne i de signaler, trinnet kan bearbejde. Disse kondensatorer virker som et højpasled i samspil med ind- og udgangsimpedanserne samt den signalkilde hhv. belastning, der tilsluttes. Derfor skal disse kondensatorer have så tilpas store værdier, at denne nedre grænsefrekvens ikke får nogen praktisk betydning for anvendelsen af forstærkertrinnet.