Fælles emitter
Der er for få eller ingen kildehenvisninger i denne artikel, hvilket er et problem. Du kan hjælpe ved at angive troværdige kilder til de påstande, som fremføres i artiklen.
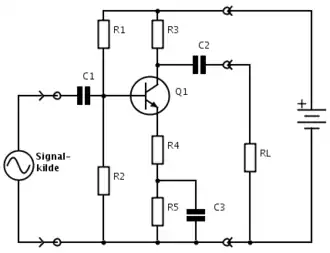
Fælles emitter, også kaldet jordet emitter, er navnet på et forstærkertrin baseret på en bipolar transistor. Navnet skyldes, at transistorens emitter har forbindelse til både forstærkertrinnets indgang og udgang.
Sådan virker fælles emitter-trinnet overordnet
Som bekendt kræver det mindst 2 ledere at formidle elektrisk energi. Indgangen udgøres af basen (evt. via en (indgangs)kondensator) og enten emitterens spændingsplan eller forsyningsspændingens plan. Essensen er at vi skal påvirke på en eller anden måde. For et lineart arbejdende trin vil .
For alle forstærkertrin gælder det at indgangssignalets impedans og udgangssignalets impedans begge påvirker et trins dynamiske arbejdspunkt. Derfor er de tegnet med på diagrammerne. Impedanserne bliver normalt opfattet som lineare (rent ohmske eller komplekse) – eller ulineare. I denne artikel antager vi for simpelhedens skyld impedanserne for rent ohmske.
Fælles emitter-trinnet med 0V som signaljord er inverterende (dvs. leverer et udgangssignal der er i modfase (180°) i forhold til indgangssignalet) og kan have en i teorien ubegrænset stor indgangsimpedans ved middelstor forstærkning (5-10 ganges spændingsforstærkning), eller middelstor indgangsimpedans (nogle få kiloohm) ved stor forstærkning (over 100 ganges spændingsforstærkning). Udgangsimpedansen er altid middelstor; i praksis fra 500 ohm til 10 kiloohm.
I det følgende præsenteres, beregnes og forklares nogle fælles emittertrin, som ønskes at arbejde næsten lineart.
Det simplest lineart forspændte fælles emitter-trin

Typiske designvalg
Som med alt andet har man et problem ved design. Hvordan starter man? Hvad skal vælges? Det er et slags hønen og ægget paradoks. Paradokset består i om man skal starte med de indre muligheder, ydre krav eller økonomiske krav. Det hele bunder i at det er et samspil og ens designvalg virker tilbage på samspillet. Skal jeg starte med at vælge kollektorstrømmen, basisstrømmen osv. Hvilken bipolar transistor skal jeg vælge? Skal der søge helt andre løsningsmodeller? F.eks. mekanisk eller oplæring af brugerne?
Der er mange valgmuligheder og her er det at filosofi éntrerer i elektronik. Derfor er der ligeså mange meninger om det som mennesker. Kig i nyhedsgrupper – her diskuteres livligt om hvad der er "bedst":
- Det er lige meget – vælg den universelle BC547, BC171,...2N3904, 2SB458, 2SB828 – i ældre tid var det OC71, AC126. Nogle elektronikblade har døbt sådanne transistorer TUN (Transistor-Universal-NPN), TUP (Transistor-Universal-PNP). Dog skal man være yderst omhyggelig med benforbindelserne, de er forskellige for forskellige produktkoder.
- Det afhænger af anvendelsen.
- Det er jubelsvært.
- For signalfrekvenser mindre end ca. 100..1 kHz kan man risikere at trinnet ikke opfører sig som man forventer.
- Hvor mange decimaler skal man arbejde med?
- Hvor præcise skal kondensatorer og modstande være?
For eksemplets skyld vælger vi BC550. Databladet kan downloades her: BC550 Arkiveret 4. marts 2016 hos Wayback Machine.
Faktoren 10 kan anvendes som en tommelfingerregel i mange designvalg.
Skal udgangssignalet afleveres i en belastningsimpedans på 10 kohm, vælges en trinudgangsimpedans normalt en faktor 10 lavere; 1 kohm. Grunden er at man ved lave frekvenser gerne vil gøre udgangssignalets styrke mindre påvirkelig af belastningsimpedansen. Og for et lineart arbejdende fælles emittertrin er udgangsimpedansen ca. lig kollektormodstanden . Grunden til dét er, at transistorens mellem kollektor og emitter for lave frekvenser opfører sig som en strømgenerator. En strømgenerator har per definition en uendelig høj indre modstand.
Det næste vi vælger er forsyningsspændingen størrelse. De fleste transistorer kan klare ca. 25V over og den kan med visse transistorer være helt op til ca. 1200V – og nogle kan kun tåle nogle få volt.
Vi antager at vi maksimalt har brug for udgangssignaler på (spids til spids eng. ). Vi vælger 15V som forsyningsspænding, så vi ikke rammer overstyring.
Da vi har valgt et relativt stort udgangssignal, er det et godt designvalg at lade hvile være forsyningsspændinghalve; . Vi har valgt kollektormodstanden , så nu har vi også designhvilekollektorstrømmen: .
I databladet kan vi finde strømforstærkningsfaktoren , men den er afhængig af mange ting, bl.a. kollektorstrømmen. En faktor på 200 er ikke urealistisk at finde i databladet ved . Men vi har et problem; den kan faktisk være i intervallet 100..700 (mere om det senere).
Vi har at . kan derfor beregnes til at være: . Vi får brug for at kende ved . I de fleste lineart arbejdende bipolare silicium baserede transistorer, er der den tommelfingerregel, at er 0,7V. er normalt mellem 0,5..0,8V, men i de fleste beregninger betyder denne mulige variation ikke så meget.
Nu kan beregnes: .
Der er flere designvalg, men dem ser vi bort fra her.
Men vi har faktisk et potentielt stort problem, nemlig at har en stor parameterspredning fra transistoreksemplar til eksemplar. Hvis den er 100 eller 700, vil forstærkertrinnets være så langt fra det ønskede, at trinnet vil overstyres for større signaler. Hvis vi manuelt ændrer , så hvile er halve, går det nogenlunde. I 1950'erne og 1960'erne var transistorer dyre og derfor benyttedes designet. Grunden var, at man fik den maksimal mulige forstærkning og forstærkere blev håndlavet. Her er et nyere design.[1]
DC-kobling vil ikke kunne forbedre forholdene, medmindre der laves en eller anden form for modkobling.
Et robust forspændt fælles emitter-trin

Nogle af de tidligere designvalg genbruger vi her:
- Maksimal udgangssignal på .
- Hvile vælges at være forsyningsspændinghalve; . Vi har valgt kollektormodstanden , så nu har vi også designhvilekollektorstrømmen: .
Flere designvalg
- Vi har 2 modstande i serie i emitter; og . lader vi være parallel med .
- Vi vælger . Faktisk er dette designvalg bestemt af den mindste spændingsforstærkning vi ønsker; .
Det eneste krav vi har til strømforstærkningsfaktoren er, at den er væsentlig større end 10.
Vi antager:
Vi vælger at basisspændingsdelerens strøm er . kan derfor beregnes til at være: . Vi antager at er .
Faktisk er og forskellig – men ikke meget hvis er mindst 100. I så fald vil kun være mellem 90..100% af , da noget af strømmen løber ind i basen og ud af emitteren.
I de fleste situationer og især i lineart arbejdende siliciumtransistorer, kan det antages der ikke løbe strøm fra kollektor til basis.
Ønsker vi en større AC-forstærkning end ca. 10 gange, skal vi dele emittermodstandene således
- Designvalg spændingsforstærkning: 30 gange.
Ved mindre spændingsforstærkningsvalg som er mindst 10 gange mindre end , kan trinnets spændingsforstærkning beregnes til at være: spændingsforstærkning=R3/R4.
Ønsker vi 30 gange så skal
Mere detaljeret beskrivelse
Selve det at der isættes en eller 2 modstande i emitter og der laves en spændingsdeler til basis er også designvalg. Det skal bemærkes, at det er mindst ligeså godt at "flytte" R1 ind mellem basis og kollektor, som mellem basis og Ucc.
Baggrunden for at man anvender flere komponenter omkring transistoren er følgende:
- At hvilearbejdspunktet er mere robust overfor parameterspredning.
- Emittermodstandene og gør hvilearbejdspunktet mere robust overfor -ændringer og især temperaturafhængige -ændringer.
- Emittermodstanden bestemmer hovedsageligt sammen med og udgangsimpedansen trinnets signalforstærkning.
Emittermodstandene og
For stort set alle transistorer gælder det at stiger med temperaturen. Det resulterer i at vil stige med temperaturen – og stiger vil den afsatte effekt normalt stige, som igen får temperaturen til at stige. Denne "løbske" effekt, der kaldes termisk run-off, mindsker eller forhindrer man ved hjælp af emittermodstanden : Hvis hovedstrømmen stiger, vil spændingsfaldet over stige og da jævnspændingen på basis er den samme som før, falder spændingsfaldet fra basis til emitter, som er afgørende for hvor meget strøm, der passerer fra transistorens kollektor til emitter. Derved stiger strømmen i transistoren væsentlig mindre end uden og derved effektivt mindsker og hindrer den termiske run-off.
Emittermodstanden og til dels
Emittermodstandene vil have den samme dæmpende virkning overfor de vekselspændings-signaler der ønskes forstærket; den vil virke som en lokal modkobling. Dette omgår man til en selvvalgt grad ved hjælp af den såkaldte afkoblingskondensator over .
Andre analyse og designhjælpeparametre
For frekvenser op til til ca. 100..1 kHz kan man riskere at ovenstående design virker.
Men faktisk skal et forstærkertrin undersøges for tolerance, virkning ved alle frekvenser og som trinnet kan risikere at blive udsat for. I det følgende nævnes kun de lineare modeller. I praksis skal man også tage højde for ulineare påvirkninger indefra trinnet og udefra.
Den simple transistormodel vi anvendte i de 2 ovenstående designeksempler var strømforstærkningsfaktoren og , hvilket ikke er særligt præcist og kun kan antages for frekvenser op til ca. 100..1kHz.
I praksis anvendes mange forskellige modeller, hvor meningen med modellen er at tage højde for transistorens interne egenskaber for hver frekvens:
Signalinverteringen
Ser man på en "øjeblikssituation" hvor indgangssignalet stiger, vil man se at den stigende hovedstrøm får spændingen over kollektormodstanden til at stige. Da dennes øverste ende er koblet til et sted med konstant jævnspænding, kan man konkludere at det stigende indgangssignal får udgangssignalet til at falde; forstærkeren er altså inverterende, og udgangssignalet vil være i modfase i forhold til indgangssignalet.
Lidt om linear 2-port h-parameter transistormodellen
I de følgende formler repræsenterer symbolet beregningen for parallelkobling af modstande/impedanser.
Indgangsimpedans
Indgangsimpedansen vil afhænge af vekselstrømimpedansen ved transistorens emitter, og derfor af hvorvidt der dér sidder en afkoblingskondensator ( på diagrammet) og R_4>0 ohm eller ej:
- Med afkoblingskondensatoren og R_4=0 gælder at , hvor er transistorens indgangsimpedans i forhold til emitter ("Hybrid Input Emitter")
- Med afkoblingskondensatoren og R_4>0 gælder at , hvor er transistorens egenforstærkning ("Hybrid Forward Emitter") og er emitterens indre modstand (givet ved )
Udgangsimpedans
Udgangsimpedansen er altid givet ved , uafhængigt af en evt belastning på udgangen og hvor vidt emitteren er afkoblet med kondensatoren eller ej.
Forstærkning
Spændingsforstærkningen afhænger bl.a. af impedansen ved transistorens emitter, som igen afhænger af om emitterafkoblingen er til stede eller ej.
- Hvis emitteren ikke er afkoblet, er
- Hvis emitteren er afkoblet, gælder at
Derefter afhænger spændingsforstærkningen også af den evt. belastning som forstærkeren skal drive, idet
Nedre grænsefrekvens
Skillekondensatorerne i ind- og udgang har den bivirkning at de sætte en nedre grænse for frekvenserne i de signaler trinnet kan bearbejde. Disse kondensatorer virker i samspil med ind- og udgangsimpedanserne samt den signalkilde hhv. belastning der tilsluttes, som et højpasled. Derfor skal disse kondensatorer have så tilpas store værdier, at denne nedre grænsefrekvens ikke får nogen praktisk betydning for anvendelsen af forstærkertrinnet.
Kilder/referencer
Se også
Eksterne henvisninger
- Web archive backup: Appendix A: Datablade for BC 547 B Citat: "...Nogle kommentarer til modeldannelsen...lave den enklest mulige kredsløbsmodel, der netop er god nok til at beskrive de ønskede funktionsforhold..."
- Web archive backup: Michael Shur. Overheads for "Introduction to Device Modeling and Circuit Simulation"
- Web archive backup: Bipolar Junction Transistor Modeling
- Web archive backup: Basics of DC and AC Characterization of Semiconductors (pdf)