Fejlstrømsafbryder
Der er for få eller ingen kildehenvisninger i denne artikel, hvilket er et problem. Du kan hjælpe ved at angive troværdige kilder til de påstande, som fremføres i artiklen.

En fejlstrømsafbryder[1] findes i mange typer. En fejlstrømsafbryder kaldes også et fejlstrømsrelæ[1] og en RCD (forkortelse for engelsk Residual Current Device)[2]. De engelske termer RCD og Residual Current Device anvendes i danske tekster af sikkerhedsstyrelsen[3][2] og i BEK nr 1082 af 12/07/2016 "Bekendtgørelse om sikkerhed for udførelse og drift af elektriske installationer"[4].
Historisk
FI-afbryder
Fejlstrømsafbryderen blev udviklet af østrigeren Gottfried Biegelmeier (de) i 1957.
I Danmark betegnes den grundlæggende fejlstrømsafbryder også FI-afbryder (eller FI-relæ).
"F" står for Fejl, og "I" er det internationale bogstavsymbol for elektrisk strøm (jf. Sikkerhedsstyrelsen).
|
Eventuelt har der tidligere været andre fortolkninger af forkortelsen (fx Fejlstrøms-Indikator), men de er forældede. En officiel standardiseret definition af forkortelsen eksisterer formentlig ikke. "FI-relæ" blev omtalt i det danske "Stærkstrømsreglementet" allerede i 1962. Før fejlstrømsafbryderen eksisterede der i mange år en fejlspændingsafbryder som kun blev anvendt på udvalgte steder. Fejlspændingsafbrydere betegnes også FU-afbrydere ("F" for Fejl, og "U" er det internationale bogstavsymbol for elektrisk spænding). I dag anvendes fejlspændingsafbrydere kun i særlige tilfælde hvor fejlstrømsafbrydere er uegnede. |
Gamle FI-afbrydere er ikke lovlige i boliger i Danmark da de ikke er tilstrækkeligt følsomme til at beskytte mennesker effektivt.
HFI-afbryder og HPFI-afbryder
FI-afbryderens efterfølger, HFI-afbryderen[5] (H'et står for Højfølsom) skal ifølge dansk lovgivning sidde i elinstallationen i alle boliger hvis ydermure er opført efter 1975.
I 1991 blev det et krav at HPFI-afbrydere (P'et står for Pulserende) skulle anvendes i boliger, og i 1993 blev det et krav at montage af alle tilslutningssteder i boliger skulle beskyttes med HPFI.
Senest d. 1. juli 2008 skal elinstallationer i alle boliger uanset alder være beskyttet med enten en HFI- eller en HPFI-afbryder.
HPFI-afbryderen er en nyere version af HFI-afbryderen.[5]
HFI-afbryderen slår fra ved en fejlstrøm på maks. 0,03 ampere (30 mA) vekselstrøm.
HPFI-afbryderen slår også fra ved maks. 0,03 ampere vekselstrøm, men håndterer desuden pulserende jævnstrømme (fx fra elektroniske apparater). Se også afsnittet nedenfor: Lynnedslag etc.
Testknappen (T) på HFI-/HPFI-afbryderen bør (som udgangspunkt) aktiveres hvert halve år for at sikre at den virker korrekt. (Der er mærket på hver enkelt Fejlstrømsafbryder, hvad fabrikantens krav er til aktivering af "testknappen" da dette varierer)
En HFI-/HPFI-afbryder er en af de vigtigste komponenter i en elinstallation til beskyttelse af liv. Afbryderen kan også beskytte mod elbrande i flere tilfælde.
Bemærk at nærværende informationer kun beskriver de hyppigst forekommende tilfælde og lovkrav i Danmark. Der er flere særtilfælde med skærpelser/lempelser/ændringer. De danske regler for elinstallationer justeres med mellemrum.
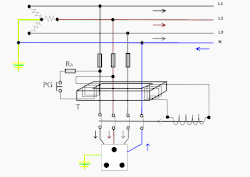
Funktion af HFI-afbryder

1: Tilslutning for strøm (fase og nul). 2: Tilslutning for strømforbruger. 3: Reset-knap. 4: Et af afbryderens to kontaktpunkter. 5: Relæ. 6: Jernring (ferrit) med følespole. 7: Forstærkerkredsløb til følespolen. 8: Testknap (T). 9: Ledning (orange) der ved brug af testknappen fører en lille fejlstrøm gennem jernringen.
De ledninger der fremfører elektriciteten er ført igennem HFI-afbryder. Styrken af den elektriske strøm der løber ind i installationen skal være lige så stor som den der løber ud igen (ifølge Kirchhoffs strømlov). Er der forskel, har noget af strømmen nødvendigvis fundet en "smutvej" forbi HFI-afbryderen. Denne situation kan blandt andet opstå, når en uheldig person pådrager sig et elektrisk stød, dvs. når strømmen (fejlstrømmen) løber gennem personen og ned i jorden.
Hvis strømmen i kroppen løber gennem hjertet, kan det medføre hjerteflimmer (og hjertestop) allerede ved en strøm på ca. 0,05 ampere. Derfor kræver loven at HFI-afbryderen udløser ved en fejlstrøm på maks. 0,03 ampere (30 mA), og der skal være helt afbrudt inden for maks. 0,3 sekunder.
En kort udløsetid har stor betydning for at undgå skader i menneskekroppen især hvis fejlstrømmen er over 0,03 ampere.
HFI-afbryderen virker ved at de strømførende ledninger er ført samme vej gennem (eller viklet om) en jernring (ferrit) hvor der også er omviklet en elektrisk følespole: Når der ikke er fejl, vil strømme der løber ind og ud gennem ledningerne danne lige kraftige, men modsat rettede magnetfelter som ophæver hinanden. Bliver strømmen som løber ind i installationen en anelse større end strømmen der løber ud, vil der være et "netto-magnetfelt" i jernringen som "opsamles" i spoleviklingen. Det genererer en separat lille strøm som aktiverer et relæ der afbryder strømmen til elinstallationen. Spolen kan genere den lille strøm fordi elinstallationen forsynes med vekselstrøm (modsat jævnstrøm).
HFI-afbryderen kan være konstrueret til kun to strømførende ledninger (fase og nul), men i Danmark anvendes typisk HFI-afbrydere til fire ledninger (3 faser og nul). Det har ingen betydning at der går flere ledninger gennem jernringen i HFI-afbryderen, for under alle omstændigheder skal summen af indgående og summen af udgående strømme være ens når der ikke er fejlstrøm, dvs. at "netto-magnetfeltet" skal være nul.
Der er typisk to udvendige knapper:
Afbryderknappen er mekanisk forbundet med relæet så man manuelt kan afbryde eller slutte strømmen: Når relæet er slået fra på grund af en fejlstrøm, springer denne knap af sig selv til "afbrudt"-stillingen, og strømmen kan sluttes igen ved manuelt at stille denne knap i "sluttet"-stillingen.
|
I en alternativ udformning (se billedet ovenfor) er der en reset-knap i stedet for en afbryderknap. Der kan være en forskel i funktionen i tilfælde af en afbrydelse af hovedforsyningen, således at relæet med reset-knap udkobles mens relæet med afbryderknap forbliver indkoblet. |
Den anden knap er til test og er typisk markeret med bogstavet T: Når man trykker på knappen, åbner man midlertidigt for en fejlstrøm der er lige akkurat stor nok til at aktivere relæet, hvorved afbryderknappen øjeblikkelig skal springe over i "afbrudt"-stillingen og strømmen afbrydes. Det tilrådes almindeligvis at relæet afprøves på denne måde mindst én gang om året for at kontrollere at relæet fungerer og sikre at det virker den dag en person i boligen bliver udsat for et elektrisk stød.
Funktion af HPFI-afbryder
Et HPFI-afbryder fungerer ligesom et HFI-afbryder på nær at der ud over vekselstrømme også måles pulserende jævnstrømme.
Pulserende jævnstrømme kan genereres i elinstallationer hvor der findes elektroniske lysdæmpere og motorreguleringer samt computere og andet elektronisk udstyr.
Tilfælde hvor en HFI-/HPFI-afbryder ikke beskytter
- HFI-/HPFI-afbrydere beskytter ikke mod den strøm der ved berøring løber gennem kroppen mellem to forskellige ledninger i installationen (fx fase og nul, eller to forskellige faser). Denne livsfarlige situation kan fx opstå når man tilslutter en lampe til fase og nul i et loftudtag.
- Hvis man kommer til at røre én strømførende ledning (en fase) samtidigt med at man er godt isoleret fra jorden (fx i tørre gummisko), vil strømmen der kan løbe gennem kroppen til jord evt. være så lille at man ikke får stød og dermed udløses HFI-/HPFI-afbryderen formentlig ikke. Det kan forlede én til at tro at installationen er afbrudt, og det kan skabe ovennævnte livsfarlige situation (punkt 1) hvis en anden ledning dernæst også berøres.
- Det er muligt at få et meget ubehageligt stød uden at HFI-/HPFI-afbryderen udkobles. Fx er 0,01 ampere normalt meget ubehageligt, men typisk ikke livsfarligt. Strømstyrken afhænger af den samlede elektriske modstand fra ledningen (fasen) gennem personen til jorden.
Lynnedslag etc.
Et typisk problem ved HFI-/HPFI-afbrydere er at de kan frakoble strømmen pga. lynnedslag o.a.
Men moderne HPFI-afbrydere er typisk gjort robuste over for dette problem.
Det har betydning når man er bortrejst. En klassisk skade er at fryseren stopper så indholdet bliver ødelagt.
Det er heller ikke hensigtsmæssigt at HFI-/HPFI-afbryder anvendes til elevatorer og udstyr som er kritisk at holde kørende.
Loven (Stærkstrømsbekendtgørelsen) giver elektrikere/elinstallatører mulighed for at vælge en anden beskyttelsesmåde til den slags udstyr inkl. fx frysere i boliger.
For at undgå fejlagtige udkoblinger kræves det i øvrigt at HFI-/HPFI-afbrydere ikke udløser ved fejlstrømme under 50% af mærkeværdien. Dvs. at fejlstrømme op til 0,015 ampere ikke må udløse afbryderen.
Mærkning af HFI-/HPFI-afbrydere
På HFI-afbrydere produceret før 1990 indgår følgende som en del af mærkningen:
- og "0,03 A" eller "30 mA".
På afbrydere produceret efter 1990 indgår følgende som en del af mærkningen:
- HFI-afbrydere er mærket med symbolet
plus "0,03 A" eller "30 mA" evt. med IEC 60755 Type AC. - HPFI-afbrydere er mærket med symbolet
plus "0,03 A" eller "30 mA" evt. med IEC 60755 Type A eller Type B.
Disse to symboler er internationale.
De danske forkortelser "HFI" eller "HPFI" findes ikke nødvendigvis på afbryderen. De engelske betegnelser "RCD" og "RCCB" for fejlstrømsafbryder kan også opleves i Danmark. Se den engelsk Wikipedia-artikel for de engelske markeringer som der oftest bruges. Klik på 'andre sprog' i venstre margen på denne Wikipedia-side for at se udenlandske betegnelser.
Det er relevant at nævne at afbrydere mærket med den tyske betegnelse "NPFI" kan opleves i Danmark, og det er enten HPFI-afbrydere eller PFI-afbrydere (som ikke er nævnt ovenfor) afhængigt af om afbryderen er mærket med en nominel fejlstrøm (IΔN) på hhv. maks. 0,03 ampere (30 mA) eller en større værdi.
Supplerende information

En fejlstrøm kan opstå ved at en person både rører ved en strømførende komponent og samtidigt har forbindelse til jorden fx ved at røre ved en vandhane e.l.
En fejlstrøm kan også opstå ved at en strømførende komponent får direkte kontakt til en jordforbindelse. Fx når der er fejl ("overgang") i bl.a. køleskabe, komfurer, opvaskemaskiner og vaskemaskiner.
Det er nemlig et lovkrav at metallet (chassiset) på bl.a. disse hvidevarer er forbundet til en beskyttelsesleder/"jordledning". Det er den grøn-gule ledning som fx ses i ledninger til stikpropper med tre ben.
Når den grøn-gule ledning er tilsluttet korrekt, kan RCD-afbryderen registrere hvis strømmen ved en fejl løber ud i apparatets metal. Herved kan afbryderen straks koble fra så mennesker undgår at få stød. Den grøn-gule ledning kan altså hjælpe RCD-afbryderen til at være meget mere effektiv.
At få stød fra elinstallationen kan være et voldsomt og farligt chok for kroppen, så derfor er det vigtigt at undgå stød selv om en RCD-afbryder er installeret.
Den grøn-gule ledning er dermed en af de sikkerhedsmæssigt vigtigste ledninger i en elinstallation, og derfor bør man ikke save/brække det tredje ben af stikpropper når fx køleskabe monteres. Det et lovkrav at den grøn-gule ledning udelukkende anvendes til beskyttelsesleder/"jordleder".
I Danmark er det ikke overalt i en installation at beskyttelsesleder/"jordleder" kræves.
Der anvendes også andre former for beskyttelse bl.a. "dobbeltisolering" af visse elektriske apparater, og "potentialudligning" mellem metalliske bygningsdele.
Advarsler
- Det er ulovligt og kan medføre tab af menneskeliv at forbinde en grøn-gul ledning til en strømførende ledning.
- Kun elinstallatører/elektrikere må arbejde med RCD-afbrydere da forkert montage kan medføre livsfare.
- 622 Udskiftning af sikringer og genindkobling af maksimalafbrydere.
622.1 Sikringer, automatsikringer eller maksimalafbrydere til overstrømsbeskyttelse af ledninger eller brugsgenstande må kun udskiftes eller genindkobles én gang efter overbrænding eller automatisk udkobling.
Sker der straks igen en sikringsoverbrænding eller automatisk udkobling, skal den eventuelle fejl fjernes, og ny sikringsudskiftning eller genindkobling må ikke foretages, før isolationsmodstanden er målt til en forskriftsmæssig værdi.
- Undtagelse
Bestemmelsen gælder ikke, hvor en sikringsoverbrænding eller automatisk udkobling skyldes en kortvarig overbelastning, f.eks. ved start eller drift af en motor.
Isolationsmåling kan udelades for den faste installation, hvis fejlen er i en brugsgenstand eller dens tilledning, som straks adskilles fra installationen, og tilslutning ikke foretages, før fejlen er fjernet.
Referencer
- 1 2 "fejlstrømsafbryder". Den Store Danske (lex.dk online udgave). Citat: "...Fejlstrømsafbryder, fejlstrømsrelæ, automatisk afbryder, der anvendes i elektriske installationer..."
- 1 2 sik.dk: Spørgsmål og svar om beskyttelse med RCD'er Citat: "...En RCD (Residual Current Device) også kaldet fejlstrømsafbryder - er nødbremsen i de elektriske installationer...", backup
- ↑ sik.dk: Valg og installation af RCD (fejlstrømsafbryder), backup
- ↑ BEK nr 1082 af 12/07/2016, retsinformation.dk: Bekendtgørelse om sikkerhed for udførelse og drift af elektriske installationer, backup Citat: "...RCD: Residual current device, mekanisk koblingsudstyr... Supplerende beskyttelse med RCD..."
- 1 2 "HPFI-afbryder". Den Store Danske (lex.dk online udgave).
Eksterne henvisninger
- Tekst om HPFI-relæet Arkiveret 19. august 2007 hos Wayback Machine
- Er din HPFI Lovlig? Arkiveret 27. oktober 2019 hos Wayback Machine